Hello Developers & Designers,
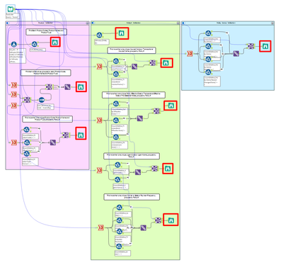
In my workflow I am validating an Excel file using different tools (Summarize, Filters, Join, Union) in 3 containers. The workflow looks somewhat like the one pasted below. All RED squares marked are the outputs coming from several validation criteria's (each output having a different schema). Is it possible to merge all these outputs into one Excel file having multiple tabs?
I checked this Link already, but probably it does not fulfills my requirement. Please correct me if I am wrong, thank you.
Solved! Go to Solution.
Hi @AnuragGupta27 ,
have you considered using a Block Until Done tools (I guess, you'll need a series of "cascading" tools).
What do you think?
Best,
Roland
I thought "Block until done" is to provide order of execution to the workflow as to which part will run first & then second and so on.
Not sure how to use this tool to merge all outputs into one Excel. Thanks though.
Hi @AnuragGupta27 ,
I think I have to add a bit more detail ... if you replace the Browse tools in your workflow by Output Data tools, all writing to the same Excel workbut, but different sheets, it may lead to concurrent write access to the file and an error. If you place Block Until Done tools in your workflow, you avoid this problem.
My approach would be to add Block Until Done tools as shown in the picture to serialize the steps in workflow. It should be easily applicable to your workflow. i Hope this explains a little better what I meant.
Best,
Roland

