Hi,
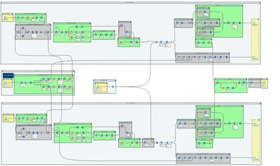
I am working on this workflow >

I would like to dynamically add the date "current period" in date format to the output file name, something like "ActualVsForecast.2024-03" In order to do so I use the formula tool



and this is how I setup the output tool

This workflow has 5 outputs all in the same file.
even tough, the result I am getting is not what I need. I will appreciate any help!
Thanks,
Sebastian